加入收藏
|
中文
|
English
公司介绍
公司历程
企业荣誉
BLD-02系列产品
BLD-05系列产品
BLD-10系列产品
BLD-20/40/60系列产品
BLD调节型系列
BLD成套阀门
BLD-100/160/250系列产品
产品应用
产品新闻
公司动态
服务网点
服务理念
服务规范
维护指南
在线报修
招聘信息
人才理念
我要应聘
产品说明书
样本资料
联系我们
>>BLD-02系列产品
>>BLD-05系列产品
>>BLD-10系列产品
>>BLD-20/40/60系列产品
>>BLD调节型系列
>>BLD成套阀门
>>BLD-100/160/250系列产品
地址:武汉市蔡甸区星光大道79号创新企业港,联东U谷20栋-102
电 话:027-84792198
027-84792196
027-84254653
传 真:027-84254652
邮 箱:whbldkj@163.com
您当前的位置:
首页
>> BLD调节型系列
产品说明
产品名称:
BLD-20/40/60调节型
产品介绍:
......
外形尺寸
性能参数
电路图例
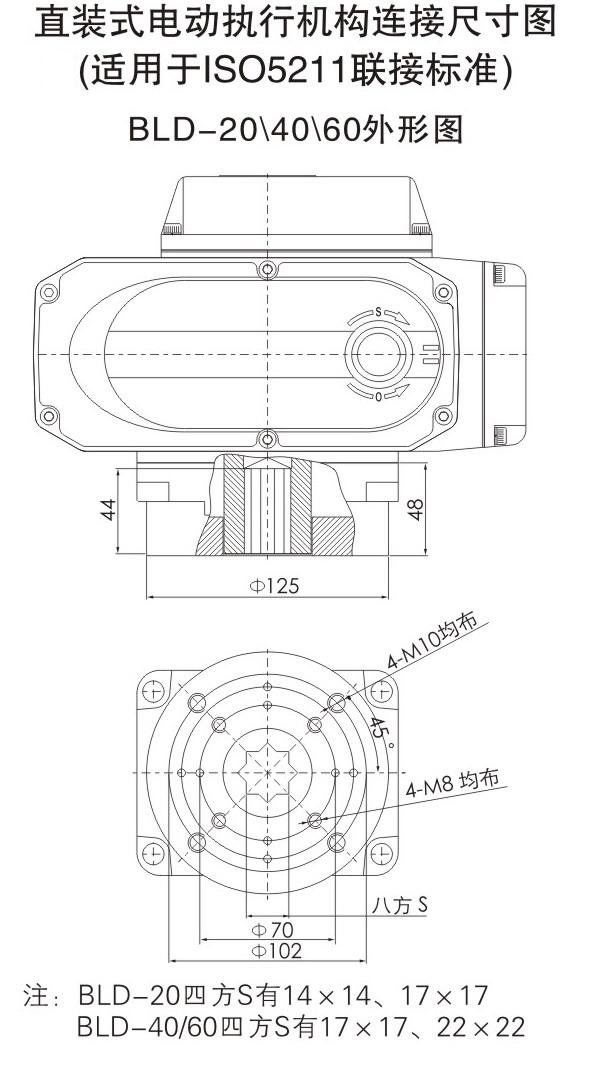
连接尺寸图
产品应用
我要询价
相关产品
地址:
武汉市蔡甸区星光大道79号创新企业港,联东U谷20栋-102
邮编:
430056
电话:
027-84792198
技术支持:
鑫悦网络
传真:
027-84254652
邮箱:
whbldkj@163.com